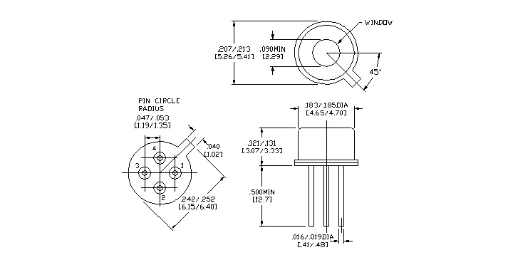
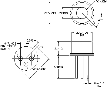
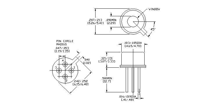
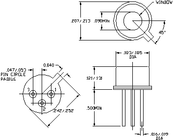
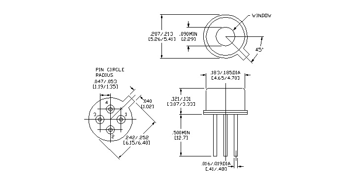
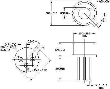
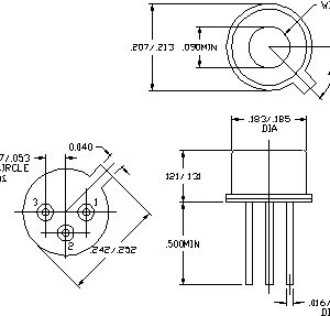
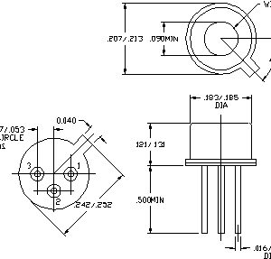
This is a direct coupled optical receiver designed for short distance 850 fiber optic systems. The receiver contains a monolithic IC, with an integral photodiode and amplification circuit and an Open Collector Schottky output.
TXPI 1001
US$ 16.98
Texas Photonix, C/O USA, HS-Code 8541.41 Photo-Logic IC
Available on backorder
Category: Texas Photonics, Inc.
Related products
Texas Photonics, Inc.
US$ 32.33
Texas Photonics, Inc.
US$ 28.93
Texas Photonics, Inc.
US$ 12.29
















