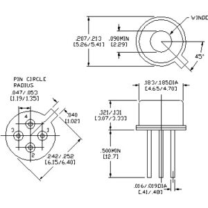
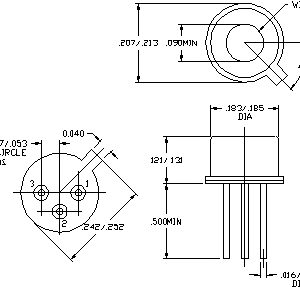
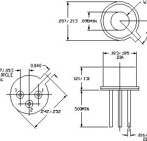
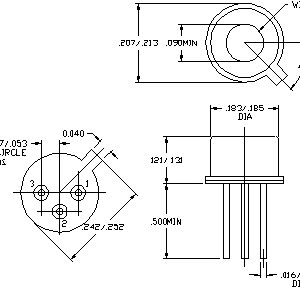
Texas Photonics, Inc. (TPI) was formed to provide engineered opto-electronic component and assembly solutions, to industrial, military, space, medical and consumer markets. TPI is a privately owned small business and strives to provide a higher level of service to our customers, through personal contact.




